วันอังคารที่ 5 กันยายน พ.ศ. 2560
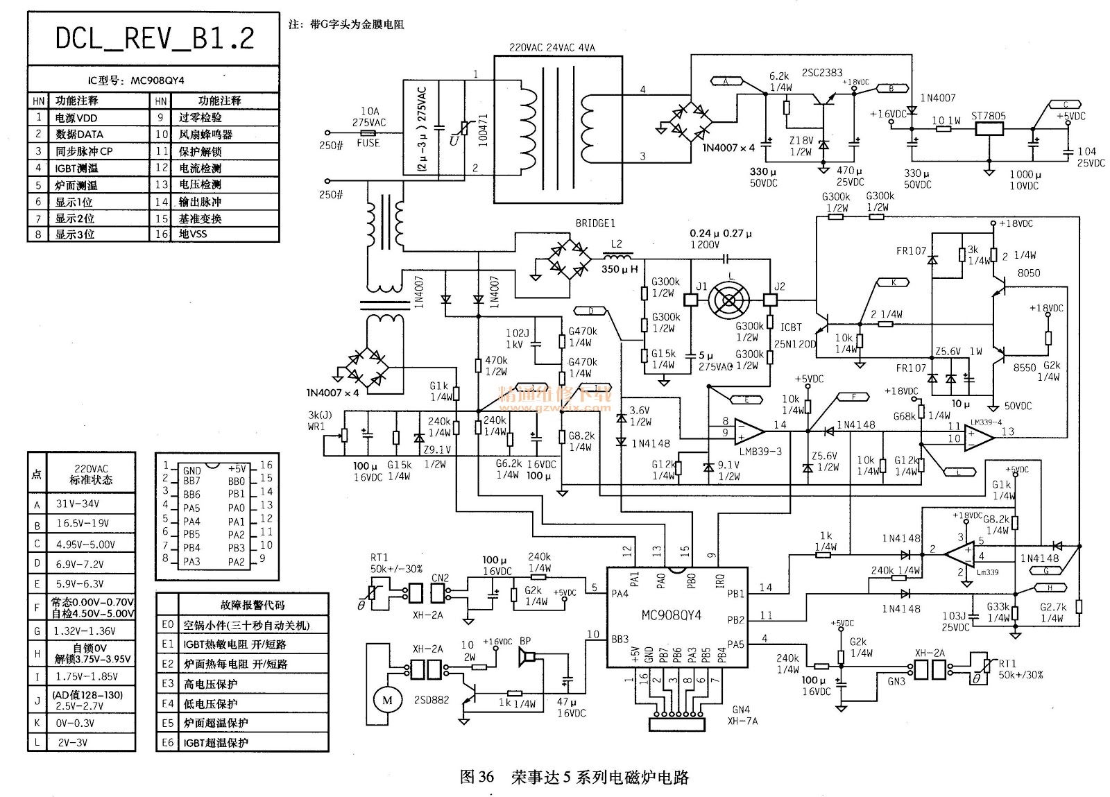
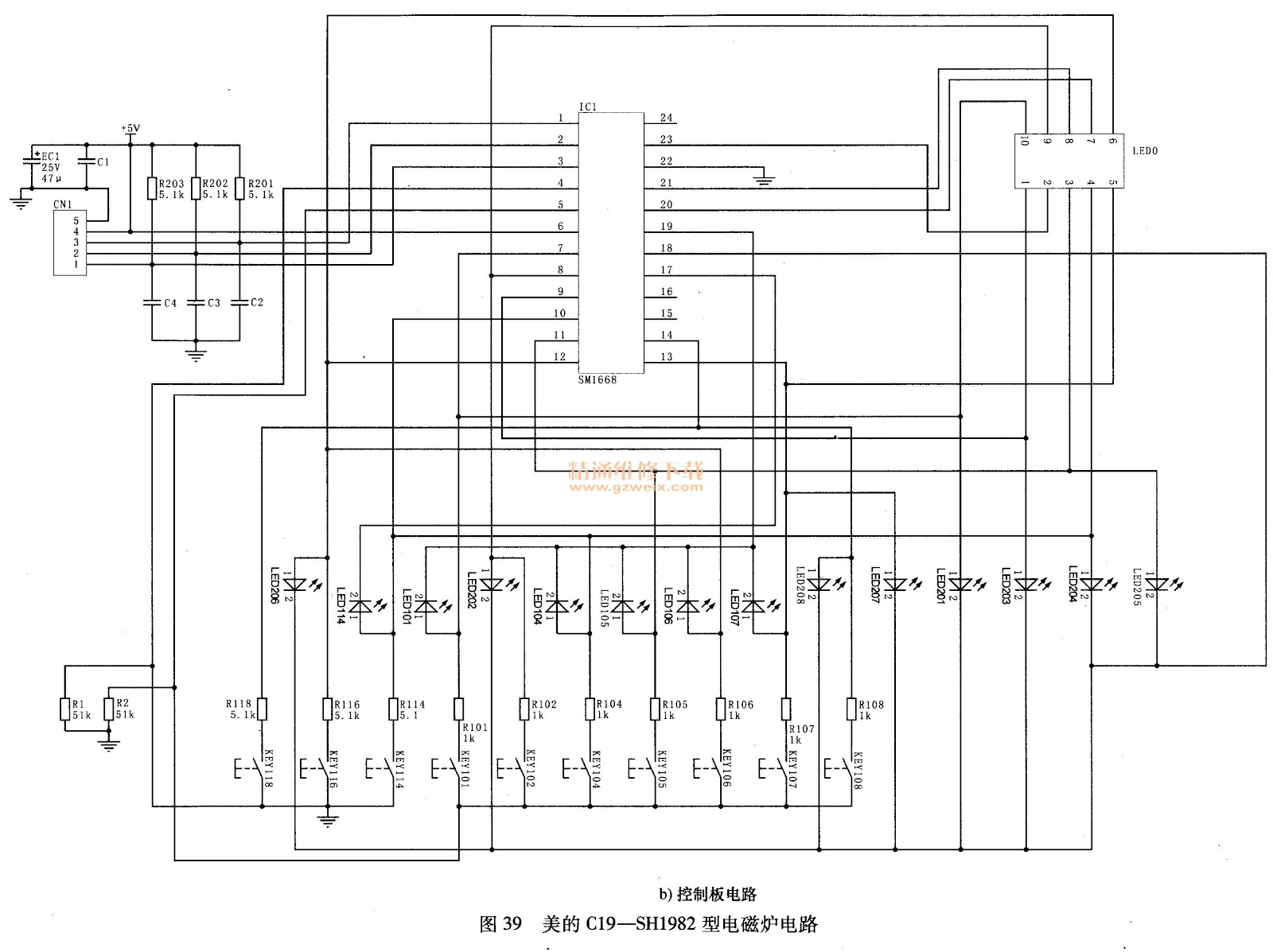
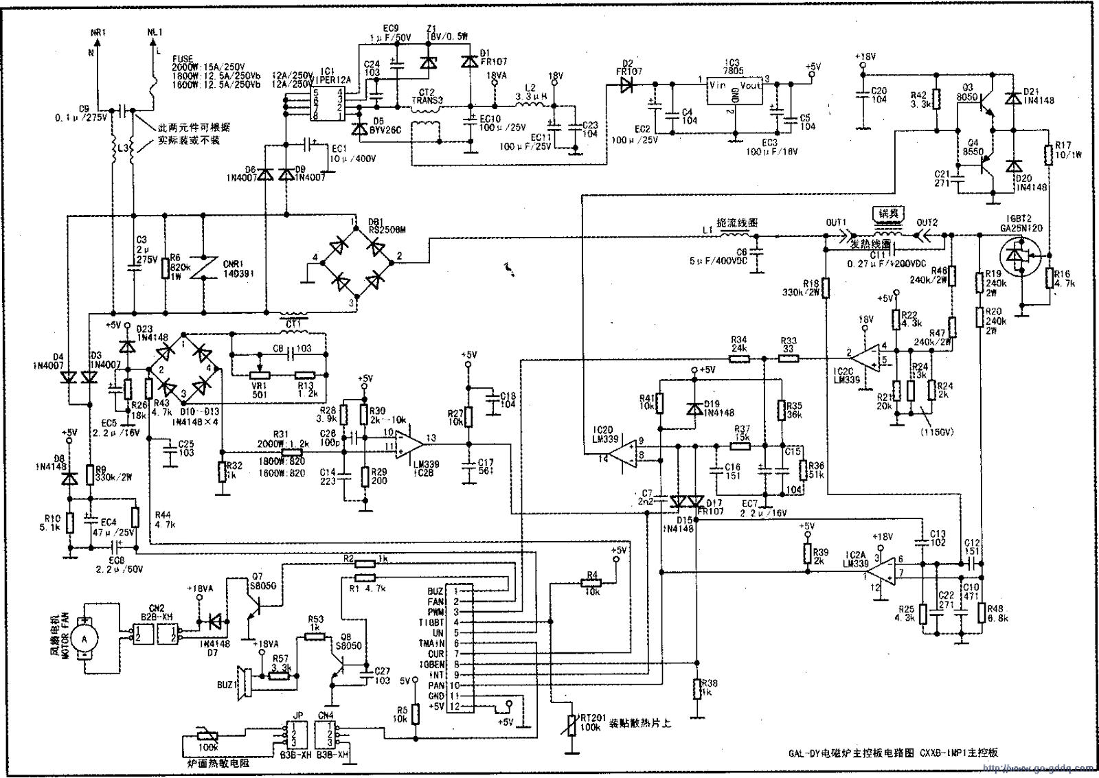
รับซ่อมแผงวงจรเตาแม่เหล็กไฟฟ้าทุกยี่ห้อทุกรุ่นทุกอาการ บริการแก้ไข ซ่อม แผงวงจร เตาแม่หล็กไฟฟ้า แผงวงจร ตู้เชื่อมอินเวอร์เตอร์ แผงวงจรเครื่องใช้ไฟฟ้า ให้ส่งเฉพาะแผงวงจร เครื่องใช้ไฟฟ้า มาอย่างเดียว อย่าส่งมาทั้งเครื่องนะครับ ส่งซ่อม ได้ที่ 69/6 ซอย ติวานนท์ 18 แยก 5 ถนนติวานนท์ อำเภอเมือง จังหวัดนนทบุรี 1100 โทรศัพท์ 02-045-3653 Line 081-803-6553 Email sompongindustrial@gmail.com mrsompongt@hotmail.com จำหน่าย อุปกรณ์ POWER ELECTRONICS กำลังสำหรับนำไปสร้าง ซ่อม เตาแม่เหล็กไฟฟ้า เครื่องเชื่อม ชนิดอินเวอร์เตอร์ เครื่องควบคุมความเร็วมอเตอร์ กระแสสลับสามเฟส ที่ใช้ใน แอร์ อินเวอร์เตอร์ ตู้เย็น อินเวอร์เตอร์ เครื่องซักผ้า อินเวอร์เตอร์ สวิทชิ่่งเพาเวอร์ ซัพพลาย รับซ่อมแผงวงจร เครื่องใช้ไฟฟ้าอิเล็กทรอนิกส์ เตาแม่เหล็กไฟฟ้า ทุกรุ่น.ทุกยี่ห้อ.ทุกอาการ..ครับ..รบกวน..ส่งมาที่ 69/6 ซอยปิ่นประภาคม 3 ติวานนท์ 18 แยก 5 หมู่ 1 ตำบลตลาดขวัญ อำเภอเมืองนนทบุรี จังหวัดนนท์บุรี ระหัส 11000 ส่งมาทาง ไปรษณีย์ นะครับ...ติดต่อ ที่ Line 081-803-6553 โทรศัพท์ 02-045-36563 ขอบคุณมากครับ..ที่กรุณา...อุปกรณ์อิเล็กทรอนิกส์ที่จำหน่าย มีดังนี้ครับ TM51 PS21244 PS21963 PS219A2 MITSUBISHI ELECTRIC POWER MODULE FOR 3 PHASE INVERTER MOTOR SPEED CONTROL ..ราคาตัวละ 300 บาท.IGBT 15J331 MOSFET 2SK2689 2SK 2611 มีอีกหลายเบอร์ครับ ราคา ตั้งแต่ ตัวละ 15 บาท ถึง 60 บาท มีทั้ง แบบ ไร้ขา SMD และแบบ มีขา TO-92 TO-220 TO-247 ขนาด แรงดัน 20 Volts ถึง 600 Volts ขนาด กระแส สูงจะเป็นแบบแรงดันต่ำครับ ขนาดแรงดันสูงจะเป็นกระแสต่ำ ไม่เกิน20 Amps ครับ... FUJI ELECTRIC POWER MODULE 6DI15S-050C 6DI15S-050D ราคาตัวละ 300 บาท TOSHIBA JAPAN MP6501A ราคาตัวละ 300 บาท
สมัครสมาชิก:
ส่งความคิดเห็น (Atom)
























































































































































































































































































































































ไม่มีความคิดเห็น:
แสดงความคิดเห็น